电话
宏锐电气是一家专注于交流稳压器、直流稳压电源、变压器、UPS 不间断电源、EPS 应急电源、蓄电池、锂电池、太阳能逆变器等电力电源及新能源领域产品,集研发设计、生产制造、咨询销售与技术服务为一体的综合解决方案供应商。
2008 年成立以来,公司引进并吸收台湾宏锐成熟技术与多年项目实践经验,依托持续的技术研发与自主创新,企业综合实力稳步提升。公司技术底蕴深厚,行业实践经验充足,长期与多家科研单位、高等院校保持科研协作。企业配备精良的生产设备与专业检测仪器,组建高素质从业团队,所有产品均依...
地址
现代化的工厂普遍采用自动化系统,依靠整个工厂范围内的许多传感器提供的反馈信息来保持高生产率。这些公司采用数字现场总线来汇总传感器收集的大量数据。传感器收集的数据越多,系统的适应性和操作性就越好。
因此,采用现场总线连接的现代工业传感器必须以更快和更精确的速率来检测信号,并将该信息作为与传统模拟信号相对的数字信号输出。这一功能要求传感器使用功率更大的处理器。此外,由于工厂中此类传感器的数量更多,因此形状因数变小。功率的增大以及形状因数的变小迫使工厂摈弃成熟的线性稳压器方案,转而采用开关稳压器方案。
而采用开关稳压器又产生了新的挑战。由于电感器要求使用额外的区域,因此开关稳压器形状因数较大。必须考虑稳压器开关频率与测量信号频率之间的关系。因此,转换器的布局更加关键。设计不良的开关稳压器会提高本底噪声,并产生不必要的电磁兼容性(EMC),将会干扰小型信号的检测。
幸运的是,我们目前提供了集成电感器DC/DC开关稳压器,可以最大限度地减少此类挑战。电感器的集成不仅减小了开关节点的面积,还可以更轻松地实现最佳布局。新型DC/DC转换器的开关频率显著提高,因此可以使用小型片式电感器和陶瓷电容器,使得DC/DC转换器成为外形最小的选择。
新型LMZM23601电源模块将DC/DC转换器、电感器、Vcc滤波电容器和升压电容器集成到一个3mm*3.8mm*1.6mm的封装中。这样可以处理最高36V的输入电压,并将电压从15V降至2.5V(固定5V和3.3V可选),同时输出电流高达1A。如图1所示,占用最小的板内空间实现完整的1A解决方案。

图1:LMZM23601解决方案适用于3.3V至5V输出,电流高达1A
将LMZM23601与传统的线性稳压器方案相比较,来满足现场变送器应用的以下要求:
输入电压:10V至30V,公称24V
输出电压:3.3V
输出电流:35mA
温度范围:环境温度-40°C至85°C
板面积:4mm*4.5mm
如表1所示,与微型小外形封装(MSOP)8相比,LMZM23601具有封装面积和热能方面的优势。注意:表1中规定的 RJA仅供比较参考,鉴于板空间和铜排有限,在实际传感器应用中,该值会更高。联合电子设备工程委员会(JEDEC)或评估模块(EVM)计算了数据表中的典型RJA值。例如,LMZM23601 45°C/W的R?JA是基于一块30mm*30mm的双层电路板计算出来的。

表1: LMZM23601与按照封装类型分类的线性稳压器设计选项
如表2所示,线性稳压器功耗为(24V-3.3V) x 35mA 约等于0.93W功率, 而LMZM23601功耗仅为0.116W。 MSOP-8封装线性稳压器的温度上升使得结温高于125℃的标准集成电路(IC)结温,而根据45°C/W RJA,LMZM23601的结温为90°C。即使将RJA乘以系数5,得到的Tj最大值仍然低于该结温。
从这个例子可以看出,很明显从热能角度来看,线性稳压器并非可行的方案。采用开关方案进行权衡(即使是采用LMZM23601等模块)意味着必须要考虑输出纹波。如图2所示,标准LMZM23601设计3.3V输时的输出纹波峰峰值约为3mV。表2:35mA下24V至3.3V转换的热考量

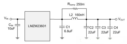
为了进一步降低输出纹波,可以采用一台二级滤波器,如图3所示。图4显示输出纹波的峰峰值已从3mV降至低于1mV。

图2:3.3V输出下LMZM23601EVM的输出纹波

图3:带二级滤波器的LMZM23601

图4:带二级滤波器的LMZM23601输出电压纹波
对于要满足紧凑板空间要求的工业传感器来说,开关稳压器是唯一可行的选择。LMZM23601集成电感器不仅具有高性能,解决方案尺寸小于线性稳压器,同时具有开关稳压器的效率。
下一篇:稳压器的作用是什么?