电话
宏锐电气是一家专注于交流稳压器、直流稳压电源、变压器、UPS 不间断电源、EPS 应急电源、蓄电池、锂电池、太阳能逆变器等电力电源及新能源领域产品,集研发设计、生产制造、咨询销售与技术服务为一体的综合解决方案供应商。
2008 年成立以来,公司引进并吸收台湾宏锐成熟技术与多年项目实践经验,依托持续的技术研发与自主创新,企业综合实力稳步提升。公司技术底蕴深厚,行业实践经验充足,长期与多家科研单位、高等院校保持科研协作。企业配备精良的生产设备与专业检测仪器,组建高素质从业团队,所有产品均依...
地址
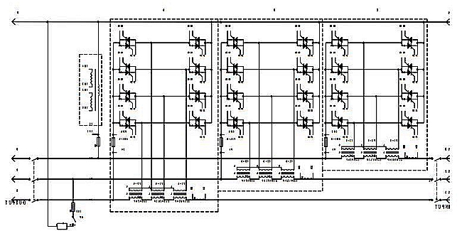
HZW-S系列数字化无触点交流稳压器,是无锡宏锐电气有限公司生产的新一代稳压器,集数字化、人性化为一体的高智能型产品,具有强大的信息 采集系统、信号处理系统、侦测系统和完善的保护系统。

广泛用于各种用电环境。个性化设计、强大的人机对话功能、直观显示屏以及状态指示监控介面,让各位用户操作和使用非常简单方便。无触点、免维护、三相分调是 SBW 系列机械式稳压器的升级换代产品。
