电话
宏锐电气是一家专注于交流稳压器、直流稳压电源、变压器、UPS 不间断电源、EPS 应急电源、蓄电池、锂电池、太阳能逆变器等电力电源及新能源领域产品,集研发设计、生产制造、咨询销售与技术服务为一体的综合解决方案供应商。
2008 年成立以来,公司引进并吸收台湾宏锐成熟技术与多年项目实践经验,依托持续的技术研发与自主创新,企业综合实力稳步提升。公司技术底蕴深厚,行业实践经验充足,长期与多家科研单位、高等院校保持科研协作。企业配备精良的生产设备与专业检测仪器,组建高素质从业团队,所有产品均依...
地址
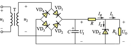
在之前我们介绍了很多直流稳压电源的设计,不过我们之前介绍的电路,包括分立元件组成的串联型直流稳压电路及集成稳压器均属于线性稳压电路,这是由于其中的调整管总是工作在线性放大区。
线性稳压电路的优点是结构简单,调整方便,输出电压脉动较小。但是这种稳压电路的主要缺点是效率低,一般只有20%—40%。由于调整管消耗的功率较大,有时需要在调整管上安装散热器,致使电源的体积和重量增大,比较笨重。

直流稳压电源电路图
在一开始我们就提到直流稳压电源的很多缺点,像效率很低,体积大,不易于携带,因此我们有必要去设计一种工作效率高,并且效率也很高,那就是我们的开关电源的设计。
先来介绍一下开关电源,开关电源的分类还有很多种,如果按开关管与负载的连接方式分:串联型和并联型;按开关器件的激励方式分:自激式和他激式;按稳压的控制方式分:脉冲宽度调制型(PWM)、脉冲频率调制型(PFM)和混合调制(即脉宽-频率调制)型。按开关管的连接和工作方式分:单端式、推挽式、半桥式和全桥式;按开关管的类型分:晶体管、VMOS管和晶闸管。说了这么多了,我们先来看下开关电源的原理图设计。

这个工作原理我们可以先分析一下如果当 ut < uA 时,uB = + UOPP,调整管VT饱和导通,L存储能量,C充电;uE =UI -UCES,VD截止。当 ut > uA 时,uB = -UOPP,调整管VT截止, L释放能量,其感应电动势使D导通,uE =-UD,VD导通。

从这个工作图中我们也可以看出调整管处于开关状态,发射极电位是高低交替的脉冲波形,经 LC 滤波电路后,负载上得到较平滑的输出电压,这里我们最关心的输出电压,对于一定的UI值,通过调节占空比即可调节输出电压UO。D越大,输出电压UO越大,故称脉宽调制(PWM)型开关稳压电源。
其实开关电源自己本身是具有稳压能力的,因为当输出电压升高时经电压比较器使uB的波形中高电平的时间减小,低电平的时间增加,调整管VT的导通时间ton变小,所以占空比变小D,又造成输出电压的降低。
不知道大家看懂了没有开关电源相比线性电源设计还是挺难的,但是我们只要了解下其工作原理,知道怎么回事,不至于成为一个电子盲就行。
上一篇:低压差线性稳压器的4种应用类型
下一篇:线性稳压电源工作原理详解