电话
宏锐电气是一家专注于交流稳压器、直流稳压电源、变压器、UPS 不间断电源、EPS 应急电源、蓄电池、锂电池、太阳能逆变器等电力电源及新能源领域产品,集研发设计、生产制造、咨询销售与技术服务为一体的综合解决方案供应商。
2008 年成立以来,公司引进并吸收台湾宏锐成熟技术与多年项目实践经验,依托持续的技术研发与自主创新,企业综合实力稳步提升。公司技术底蕴深厚,行业实践经验充足,长期与多家科研单位、高等院校保持科研协作。企业配备精良的生产设备与专业检测仪器,组建高素质从业团队,所有产品均依...
地址
SBW三相全自动补偿式电力稳压器(稳压电源)与其它型式稳压器相比具有容量大、效率高、无波开畸变、电压调节平衡等优点,本稳压器适合负载广泛,能随瞬时超载,可长期连续工作,手动/自动随意切换,设有过压、过流、缺相、相序保护及机械故障自动保护,而且体积小、重量轻、使用安装方便、运行可靠等优点。
产品慨述
SBW DBW系列单、三相全自动补偿式电力稳压器(稳压电源),是我公司引进吸收西欧先进技术,同时结合我国国情,为稳定交流电压而设计的大功率交流稳压电源设备。当外界的供电网络电压波动或负载变化而造成电压波动时,本稳压器能自动保持输出电压的稳定。SBW DBW系列产品与其它型式稳压器相比具有容量大、效率高、无波开畸变、电压调节平衡等优点,该系列稳压器适合负载广泛,瞬时过载能力强,可长期连续无人值守工作,手动/自动自由切换,稳压器市电一键切换,具有过压、过流、缺相、相序保护及机械故障自动保护,而且本稳压器(稳压电源)体积小、重量轻、外形美观、皮实耐用、使用安装方便、运行可靠等优点。
型号说明

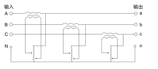
原理图

技术参数

外形尺寸


适用范围
本稳压器(稳压电源)广泛应用于工业、农业、交通、邮电、军事、铁路、科研文化等领域的大型机电设备、金属加工设备、生产流水线、建筑工程设备、电梯、医疗器械、刺绣轻纺设备、空调、广播电视及家用电顺、照明等需要稳压的场所。SBW、DBW系列稳压器应在室内使用。本稳压器(稳压电源)正常使用条件为:
●环境温度:-15℃~40℃
●海拔高度:<1000m
●相对湿度:<90%
●无严重影响稳压器绝缘的气体,蒸汽、化学沉积、灰尘、污垢及其它爆炸和腐蚀性介质。
●安装场所无严重振动或颠簸。

选型提示
1、 本系列稳压器只能室内使用,请按照正常使用条件使用。
2、 本系列三相稳压器输入为三相四线制接线,在缺零的情况下不能正常使用,否则会导致稳压器损坏。
3、 为保证稳压器正常输出电压、电流,减少线路功率损耗,请合理选择输入、输出导线截面积,一般选用铜芯导线接5A/mm2计算,若选用铝芯导线则按2.5A/mm2计算。
宏锐电气是一家专业从事交流稳压器、直流稳压电源、变压器、UPS不间断电源、EPS应急电源、蓄电池、锂电池、太阳能逆变器等电力电源及新能源领域产品研发设计、生产制造、咨询、销售及技术服务于一体的解决方案供应商。