电话
宏锐电气是一家专注于交流稳压器、直流稳压电源、变压器、UPS 不间断电源、EPS 应急电源、蓄电池、锂电池、太阳能逆变器等电力电源及新能源领域产品,集研发设计、生产制造、咨询销售与技术服务为一体的综合解决方案供应商。
2008 年成立以来,公司引进并吸收台湾宏锐成熟技术与多年项目实践经验,依托持续的技术研发与自主创新,企业综合实力稳步提升。公司技术底蕴深厚,行业实践经验充足,长期与多家科研单位、高等院校保持科研协作。企业配备精良的生产设备与专业检测仪器,组建高素质从业团队,所有产品均依...
地址
YD2000通用风机、泵及普通负载类变频器(T4) 风机 泵的节能运行 如果用变频器控制 风机 (泵)的风量(流量),与挡板控制相比可大幅度降低运行中的耗电量。
YD2000通用风机、泵及普通负载类变频器(T4)

风机泵的节能运行
如果用变频器控制风机(泵)的风量(流量),与挡板控制相比可大幅度降低运行中的耗电量。如果使用变频器内置的节能功能,则可获得更佳的节能效果。
多种功能使用方便
多种V/F曲线选择,适合各种不同的负载。
可以选择适合用途的预先设定的1 5种V/F曲线,也可设定任意的V/F曲线。
递减力矩特·性象风机、水泵那样,与转速呈2次方关系的负载场合,使用这类曲线。
恒力矩特。性是一般用途使用的曲线,象直线性运行的传送带,与转速无关的恒力矩使用场所。
使用P I D控制功能可实现闭环控制,用传感器将过程值反馈,使变频器的输出频率(电机的转速)与指令目标一致,可对风量、流量、压力等进行过程控制,实现恒压、恒温、流量等 控制。
通过切换外部端子,即可有9种速度选择,也可选择4种加减速时间。
外部端子及操作方式与YD5000完全一致,数字式操作器:二种语言显示(中文、英文)可进行如下操作:显示或修改所有的参数;本机起动、停止、点动、正反转;本机操作和远程操作的切换。
保护齐全,紧急情况放心使用
瞬时停电对策:利用瞬时再起动功能
在瞬时停电复位后,可从自由运转状态顺利再起动电机,并且在瞬时停电期间,利用电机的再生能量也可继续运转。
(注:根据机械负载或负载状态的不同,有时在瞬时停电后难以继续运行。)
起动、运行中失速防止:如果检测到过载,则在过载跳闸之前自动保持或降低输出频率
自动复位再起动:保护动作起动时,检查主回路元器件后可自动重新起动10次。
输入输出缺相检测保护,接地保护。
根据实际使用场合,可调整各个保护值,包括过流、过载、过热等的各个保护值均可调整
电流矢量控制
使变频器的低频转矩提升控制精度提高,实现了在极低速时的平稳运行,满足各种通用机械的应用。,如:挤出机、注塑机、纺织印染机械、各种轻工机械等,都能实现可靠、平稳的运行。
各种恶劣环境中的运行
控制板的高可靠涂层,延长了变频器在恶劣环境下的无故障运行时间,特别是在橡胶轮胎行业中,大大提高了运行的可靠性。
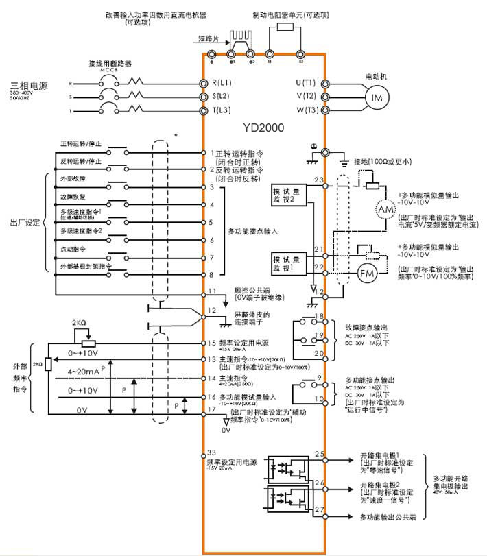
产品接线图:

下一篇:YD101系列矢量控制变频器
宏锐电气是一家专业从事交流稳压器、直流稳压电源、变压器、UPS不间断电源、EPS应急电源、蓄电池、锂电池、太阳能逆变器等电力电源及新能源领域产品研发设计、生产制造、咨询、销售及技术服务于一体的解决方案供应商。